Электрооборудование 2БКТП НП
?Быстрый вопрос в компанию Электропринцип. Мы перезвоним вам в ближайшее время.
Защита от автоматических сообщений
CAPTCHA
Введите слово на картинке*

2БКТП НП

2БКТП НП

2БКТП НП производства "ЭП"

2БКТП НП КТП блочного исполнения. Двух трансформаторная. Используется для энергоснабжения потребеителей нефтедобывающей отрасли.

2БКТП НП предназначена для регионов дальнего севера. Конструкция 2БКТП НП расчитанна на температуру до минус 60С, снеговые и ветровые нагрузки. 

Параметры 2БКТП НП и преимущества:

  • применение не менее двух СТ обеспечивает надежность энергоснабжения;
  • специализирование решения для объектов нефтенной отрасли;
  • унифицированная модульная конструкция;
  • транспортный габарит.

2БКТП НП не расчитанна для применения во взрывоопасных местах.

Мощность 2БКТП НП до 1000 кВа. напряжения 10 кВ, длинна до 14 м.

Габарит 2БКТП НП длина 6, 9, 12, 14; ширина 2,2-3,0; высота 2,45-3,9 м. Размер 2БКТП НП определяетс ямощностью СТ и техническими параметрами.

Вес 2БКТП НП до 9 тонн.

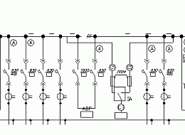
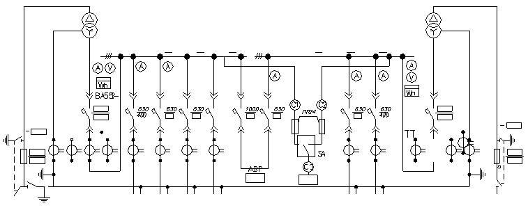
Компоновка 2БКТП НП

2БКТП НП представляет несколько блоков совмещенных в одном блок-контейнере. 2БКТП НП сотсоит из отсека высокого напряжения, отсека силового трансформатора и отсека для размещения низковольтного оборудования.

Цена 2БКТП НП формируется индивидуально.  Описание 2БКТП НП предоставляется по запросу. 

Конструктив 2БКТП НП

2БКТП НП представляет собой сэндвич контейнер с технологичким оборудованием. Расположение КТПНТ и НКУ можно увидеть н а рисунке ниже. При компановке нескольких контейнеров крыша поставляется отдельно. Площадки обслуживания изготовляются съемными. Воздушные ввода кабелей заводяться через порталы.

Доставка 2БКТП НП

2БКТП НП перевозятся на автомобильных и железнодорожных платформах.

ООО "ЭП" производит следующие модификации 2 БКТП

    Двухтрансформаторная комплектная подстанция блочного исполнения для питания насосов пожаротушения 2 БКТП НП (размер блока 6х12 м)(обозначение проекта 303.88.2);
    .Двухтрансформаторная комплектная подстанция блочного исполнения для питания пожарного депо 2 БКТП ПД (размер блока 6х12 м) (обозначение проекта 303. 88. 3);
    Двухтрансформаторная комплектная подстанция блочного исполнения для питания канализационной насосной станции 2 БКТП КНС (размер блока 6х12 м) (обозначение проекта 303. 88. 4);
    Двухтрансформаторная комплектная подстанция блочного исполнения для питания котельной 2 БКТП К (размер блока 6х12 м) (обозначение проекта 303. 88. 5).
Обратная связь