Электрооборудование ВШОВ
?Быстрый вопрос в компанию Электропринцип. Мы перезвоним вам в ближайшее время.
Защита от автоматических сообщений
CAPTCHA
Введите слово на картинке*

ВШОВ

ВШОВ

ВШОВ производства "ЭП"

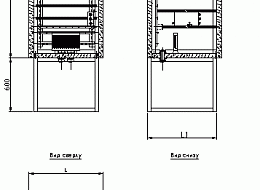
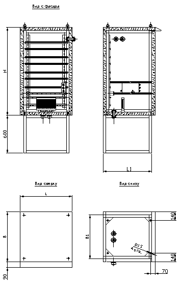
ВШОВ шкаф утепленный наружной установки. Произведен по технологии Сэндвич - панелей.  Корпус ВШОВ сделан из черного металла и покрашен порошковой краской. Внутренняя обшивка изготовлена из оцинкованного металла. 

Заказ ВШОВ можно сделать прислав заявку на почту или позвонив по телефону +74957240598. Купить ВШОВ можно подписав договор. Цена ВШОВ формируется экономистом в соответствии с опросным листом в течении одного рабочего дня.

Область использования ВШОВ

  • в нефтяной отрасли;
  • в газовой отрасли.

ВШОВ разработаны как типовое устройство.

Опросный лист ВШОВ предоставляется по запросу.

ВШОВ производят навесного и напольного исполнения. У напольного исполнения предусмотренны ножки высотой 400 мм.

Примечание в технической документации указанная высота шкафо напольного исполнения не учитывает опорные ножки.

Габарит ВШОВ 2000х600х600.

Исполнение ВШОВ УХЛ2.

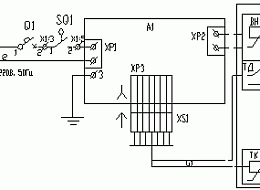
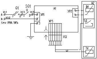
Тех параметры ВШОВ

  • номинал по току до 160А;
  • напряжение до 1500В.

Доставка ВШОВ

Доставка ВШОВ производится транспортной компанией. До ТК наша компания доставляет бесплатно.

Хранение ВШОВ

Допускается хранение на открытой площадке ВШОЭ не более года.

Обратная связь