Электрооборудование ВШОЭ
?Быстрый вопрос в компанию Электропринцип. Мы перезвоним вам в ближайшее время.
Защита от автоматических сообщений
CAPTCHA
Введите слово на картинке*

ВШОЭ

ВШОЭ

ВШОЭ производства "ЭП"

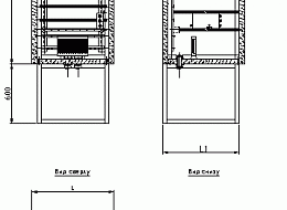
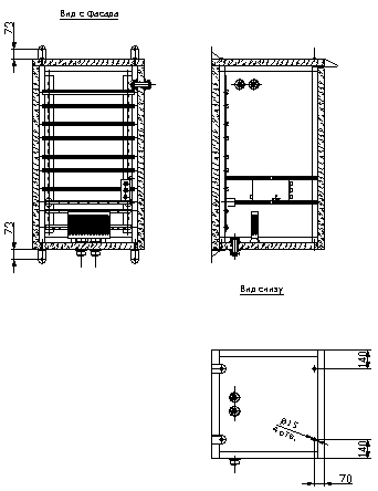
ВШОЭ шкаф утепленный наружной установки. Произведен по технологии Сэндвич - панелей.  Корпус ВШОЭ сделан из черного металла и покрашен порошковой краской. Внутренняя обшивка изготовлена из оцинкованного металла. 

Заказ ВШОЭ можно сделать прислав заявку на почту или позвонив по телефону +74957240598. Купить ВШОЭ можно подписав договор. Цена ВШОЭ формируется экономистом в соответствии с опросным листом в течении одного рабочего дня.

Область использования ВШОЭ

  • в нефтяной отрасли;
  • в газовой отрасли.

ВШОЭ разработаны как типовое устройство.

Опросный лист ВШОЭ предоставляется по запросу.

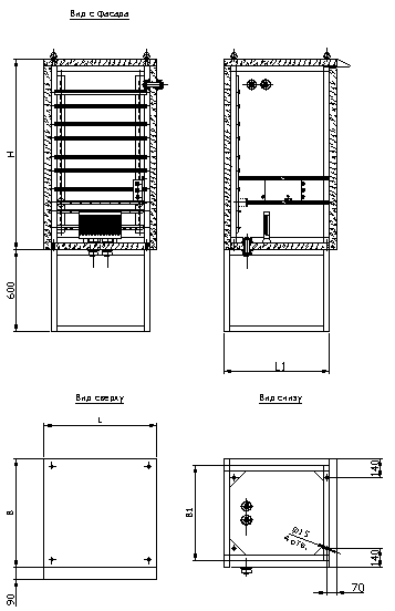
ВШОЭ производят навесного и напольного исполнения. У напольного исполнения предусмотренны ножки высотой 400 мм.

Примечание в технической документации указанная высота шкафо напольного исполнения не учитывает опорные ножки.

Габарит ВШОЭ 2000х600х600.

Исполнение ВШОЭ УХЛ2.

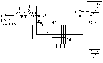
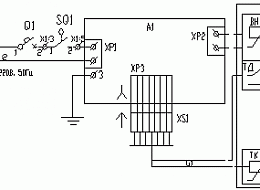
Тех параметры ВШОЭ

  • номинал по току до 160А;
  • напряжение до 1500В.

Доставка ВШОЭ

Доставка ВШОЭ производится транспортной компанией. До ТК наша компания доставляет бесплатно.

Хранение ВШОЭ

Допускается хранение на открытой площадке ВШОЭ не более года.

Обратная связь