Электрооборудование КШУО-Э
?Быстрый вопрос в компанию Электропринцип. Мы перезвоним вам в ближайшее время.
Защита от автоматических сообщений
CAPTCHA
Введите слово на картинке*

КШУО-Э

КШУО-Э

КШУО-Э производства ЭП

ШУО-Э Серия утеплённых обогреваемых шкафов.

Заказ КШУО-Э можно сделать позвонив доброжелательным сотрудникам компании "ЭП" Цена КШУО-Э определяется в течении одного рабочего дня.

Область применения КШУО-Э

  • газовая отрасль;
  • нефтедобывающая;
  • БЛП.

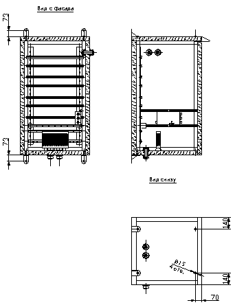
Конструктив КШУО-Э- металлический шкаф с применением сэндвич панелей.

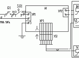
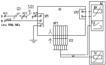
Схема электрическая и внешний ввод шкафа КШУО-Э представлены выше.

Исполнение по монтажу шкафа КШУО-Э:

  • навесной.
  • напольный.

Доставка КШУО-Э

Погрузка и крепление при транспортировке производится за рым болты. Упаковка гофро-картон со стрейчем. Перевозятся на любом виде транспорта.

Обратная связь