Электрооборудование КШОН
?Быстрый вопрос в компанию Электропринцип. Мы перезвоним вам в ближайшее время.
Защита от автоматических сообщений
CAPTCHA
Введите слово на картинке*

КШОН

КШОН

КШОН производства ЭП

КШОН Серия утеплённых обогреваемых шкафов.

Заказ КШОН можно сделать позвонив доброжелательным сотрудникам компании "ЭП" Цена КШОН определяется в течении одного рабочего дня.

Область применения КШОН

  • газовая отрасль;
  • нефтедобывающая;
  • БЛП.

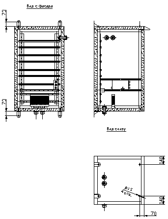
Конструктив КШОН- металлический шкаф с применением сэндвич панелей.

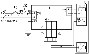
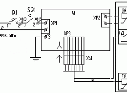
Схема электрическая и внешний ввод шкафа КШОН представлены выше.

Исполнение по монтажу шкафа КШОН:

  • навесной.
  • напольный.

Доставка КШОН

Погрузка и крепление при транспортировке производится за рым болты. Упаковка гофро-картон со стрейчем. Перевозятся на любом виде транспорта.

Обратная связь